Lackwechsler LCS-2000 Standard

Der APSON Lackwechsler LCS-2000 Standard ist ein erweiterbares Schaltwerk für unter Druck stehende chemisch aggressive Medien, z.B. Lacke, Lösemittel, Laugen.
Er ist mit pneumatisch steuerbaren Lackventilen bestückt. Je nach Ausführung hat er einen einzigen Ausgangskanal oder mehrere unabhängige Ausgangskanäle.
Er ermöglicht somit das Freigeben bzw. Unterbrechen eines Mediums oder gleichzeitig mehrerer Medien zum Ausgangskanal bzw. zu den Ausgangskanälen.
Mit mehrkanaligen Lackwechslern sind ökonomische A-B Systeme oder Spezial-Anwendungen realisierbar.
A-B Systeme ermöglichen Lackierprozesse ohne Spülpausen, weil der inaktive Systemteil gespült und vorgeladen werden kann während der andere Systemteil produziert.
Der APSON LCS-2000 ermöglicht desweiteren Lackversorgungssysteme mit Stich- und/oder Ringleitungen.
Er ist besonders geeignet zum Einsatz in automatischen Systemen, wo es auf gute Spülbarkeit und einfache Erweiterbarkeit ankommt.
Er ist einsetzbar sowohl für Uni-Lacke als auch Metallic-Lacke. Der Lackwechsler ist auch als steuerbarer Verteiler einsetzbar.
 
APSON LCS-2000
APSON LCS-2000, einkanalige Ausführung

Die Abbildung zeigt einen APSON LCS-2000 in einkanaliger Ausführung für sechs Medien bestückt mit Ventilen, SL-Verschraubungen (SL = Schlauch) und APSON Spülblock mit Entlüftungsventil (spezieller Ventilblock, links). Es sind mehrere Spülblock-Arten lieferbar. Aus Platzgründen ist der Lackwechsler liegend dargestellt. Normalerweise wird er in vertikaler Ausrichtung betrieben: Spülblock oben, Ausgang unten.

Leistungsmerkmale

Der APSON LCS-2000 hat folgende Leistungsmerkmale.
  • Typisch erweiterbar bis über 35 Ventilblöcke (siebzig Medien), pro Ausgangskanal.
  • Großer Durchsatz und sehr gute Spülbarkeit.
  • Umweltschonend aufgrund kurzer Spülzeiten.
  • Kostensparend aufgrund minimierten Medienverbrauchs.
  • Einfache Handhabung bei Montage und Wartung.
  • Kompakt und geeignet für enge Raumverhältnisse.
  • Totraumfreie Ventile, spül- und durchsatz-optimierte Kanäle.
  • Besteht aus Edelstahl, somit robust und verschleißfest.
  • Unempfindlich gegen Laugen und schwache Säuren.

Aufbau und Funktion

Je nach Art der Ventilblöcke gibt es den APSON LCS-2000 in drei Ausführungen:
  • Einkanalig, für normale Anwendungen.
  • Zweikanalig, für A-B Systeme (das inaktive Teilsystem ist unabhängig spülbar und ladbar).
  • Dreikanalig, für komplexe Systeme (erspart SL-Abzweiger und SL-Verschraubungen).
APSON LCS-2000 -- Aufbau
 
Legende: I = Einkanaliger Schaltblock, II = Zweikanaliger Schaltblock, III = Lackwechsler, CB = Cleaner Block, SB = Schaltblock, SBN = Lackwechsler-Endblock, mit Ausgang Out, H = Halter, V = Ventil, .. P = Pneumatische Ansteuerung des jeweiligen Ventils, A = Luft (Air), S = Lösemittel (Solvent), C.. = Lack 1..n (Color), K.. = Ausgangskanal .., In = Eingang (Inlet), Out = Ausgang (Outlet), D = O-Ring Dichtung, F = Zentrier-Stift, G = Gewindestange.
Der dreikanalige Schaltblock ist in der Abbildung nicht dargestellt. Die Ausgangskanäle der mehrkanaligen Lackwechsler sind unabhängig voneinander. Jeder Schaltblock ermöglicht max. zwei Ventile pro Ausgangskanal.
Jeder APSON Lackwechsler LCS-2000 besteht aus:
  • Einem austauschbaren Spülblock bzw. Cleaner Block CB.
  • Einer wählbaren Anzahl Schaltblöcke SB.
  • Einem Lackwechsler-Endblock SBN für den Medium-Auslass.
  • Optional, einem Halter H aus Winkelprofil.
Die Schaltblöcke SB (Endblock SBN ausgenommen) haben je eine O-Ring Dichtung pro Ausgangskanal D sowie je zwei Stifte F zum Zentrieren der Blöcke beim Zusammenbau des Lackwechslers mittels vier Gewindestangen G. Jeder Schaltblock hat Schraub-Fassungen für pneumatisch steuerbare Lackventile V. Es lassen sich pro Ausgangskanal K maximal zwei Medien unabhängig voneinander schalten. Die Ansteuerung des jeweiligen Ventils erfolgt über seinen zugehörigen Pneumatik-Anschluss ..P.
 
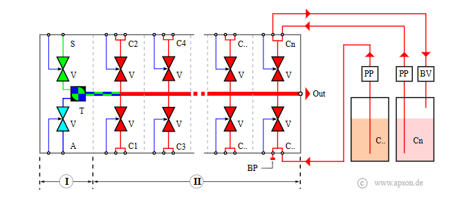
APSON LCS-2000, einkanalig -- Funktionsschema
 
Legende: I = Spülblock CB (Cleaner Block), II = Eigentlicher Lackwechsler, V = Ventil, A = Luft (Air), S = Lösemittel (Solvent), C.. = Lack 1..n (Color), Out = Ausgang (Outlet), BP = Blindstopfen (Blind Plug), PP = Pumpe, BV = Rücklauf-Steuerventil (Backpropagation Valve).
Jeder Schaltblock hat vier Medien-Anschlüsse In, zwei frontseitige und zwei rückseitige (die rückseitigen Anschlüsse sind in der Abbildung nicht sichtbar). Der eine Anschluss dient als Medium-Eingang; der entsprechende Anschluss auf der gegenüberliegenden Fläche des Schaltblocks kann als Medium-Rückleitung dienen. In Bezug auf die Lackversorgung ermöglicht ein Schaltblock somit für jedes Ventil grundsätzlich zwei Anwendungsfälle:
  • Lackversorgung mit Stichleitung, für Lacke die nicht dekantieren.
  • Lackversorgung mit Ringleitung, für Lacke die dekantieren, z.B. Metallic-Lacke.
Im Funktionsschema sind beide Möglichkeiten exemplarisch für den letzten Schaltblock dargestellt.
Im Falle einer Lackversorgung mit Stichleitung wird nur ein Medium-Anschluss genutzt. Der zugehörige Anschluss für Medium-Rückleitung (auf der gegenüberliegenden Fläche des Schaltblocks) ist mittels einer totraumfreien APSON Blind-Verschraubung zu verschließen.
Im Falle einer Lackversorgung mit Ringleitung werden beide Medium-Anschlüsse genutzt. An den Anschluss für Medium-Rückleitung ist ein Schlauch anzuschliessen der zurück führt zum jeweiligen Lackbehälter. Somit kann ein Lack C per Pumpe PP stetig umgewälzt werden. Dies verhindert das Ablagern von nicht lösbaren Lackbestandteilen im Inneren der Schläuche und Gefäße der Lackversorgung. Zum Aufbau von Druck in der Ringleitung ist an ihrem Ende (normalerweise in der Nähe des Lackversorgungsgefäßes) ein Rücklauf-Steuerventil BV vorzusehen.
Der Lackwechsler wird bevorzugt mit dem Spülblock CB nach oben hin montiert. Das oberste Ventil ist für Lösemittel S vorzusehen. Zum Spülen des Lackwechslers ist der Spülblock pneumatisch so anzusteuern, dass er mehrmals abwechselnd für jeweils kurze Zeit Lösemittel S und Druckluft A in den entsprechenden Ausgangskanal K einspeist. Siehe auch APSON Lacksystem Spülblöcke.
Zum Glätten eventueller Druckspitzen bzw. zum Regeln des Ausgangsdruckes kann am Ausgang Out ein Lackdruckregler (in der Abblidung nicht dargestellt) vorgesehen werden. Im Falle von Ringleitungen mit Medium-Umlauf ist zum Begrenzen des Druckes des jeweiligen Mediums je ein Rücklauf-Steuerventil BV vorzusehen. Siehe auch APSON Druckregler bzw. APSON Lackdruck Komponenten.
 

Technische Daten

Produktname: APSON LCS-2000
Medien: Lacke, Lösemittel, Laugen, u.a.
Mediendrücke: max. 12 bar
Ventil-Bestückung: APSON 2/2-Wege Lackventile für Stichleitung oder Ringleitung (Medium-Umlauf)
Werkstoffe: Edelstahl
Dichtungen: Viton™ *
Medieneingangs-Anschlüsse: für Schlauch D = 8 mm, d = 6 mm *
Ausgangsanschluss: für Schlauch D = 8 mm, d = 6 mm *
Abmessungen eines Blocks, LxBxH:
  • ohne Ventile: (70 x 45 x 40) mm
  • mit Ventilen: (150 x 45 x 40) mm
Masse: ca. 400 g pro Schaltblock (einkanalig)
* oder gemäß Kundenwunsch
 

Bestell-Daten

Beim Bestellen der Anzahl der Schaltblöcke ist zu beachten, dass pro Block maximal zwei Medien schaltbar sind.
Produkt Bestell-Nr.
APSON Lackwechslerblock LCB-2000 (Schaltblock) 050-Axxx
APSON Puls Cleaner PC-2000 (standardmäßiger Spülblock) * 070-A005
APSON Turbo-Puls Cleaner TPC-2001 (alternativer Spülblock) * 070-A002
APSON Turbo Cleaner TC-2002 (alternativer Spülblock) * 070-A004
APSON 2/2-Wege Lackventil LV-2000-2.2 (Ersatzteil) 060-Axxx **
APSON Rücklauf-Steuerventil BPV-2002 *** 040-Axxx **
APSON Lackwechsler Halter LCH-2000 (aus Winkelprofil) ---
* Siehe APSON Lacksystem Spülblöcke. ** Gemäß Kundenwunsch. *** Für Ringleitung (Medium-Umlauf).